| |
 |
|
|
|
| |
 |
 |
地 址:无锡市惠山区阳山镇桃园村
联系人:王伟
电 话:
0510-83557588835597
8883559588
传 真:0510-83550218
http://www.wxkerui.com
E-mail:kr@wxkerui.com |
|
|
|
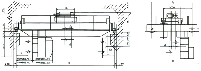
| LH型电动葫芦桥式起重机(20/5T) |
| |
|
|
|
|
|
额定起重量Fixed litfing weight
|
t |
32/10 |
|
操纵形式operation type
|
m |
7.5 |
10.5 |
13.5 |
16.5 |
19.5 |
22.5 |
|
速度Speed
|
主钩起升Primary hook lift
|
m/min |
5 |
|
副钩起升Secondary hook litf
|
7 |
|
小车运行handcart travel
|
20 |
|
大车运行cart travel
|
地面Floor
|
30 |
|
操纵室Driver Room
|
45.75 |
|
电动机Motor
|
主钩起升Primary hook lift
|
型号/kw
Type |
ZD162-4/30 |
|
副钩起升Secondary hook lift
|
ZD162-4/30 |
|
小车运行handcart travel
|
ZD162-4/30 |
|
大车运行cart travel
|
地面Floor
|
ZD162-4/30 |
|
操纵室Driver Room
|
YZRS114M-4/5×2 |
|
电动葫芦Electric Hoist
|
|
HC16 |
|
起升高度Lifting Height
|
m |
9;12;18;24 |
|
工作制度Working System
|
|
JC=25% |
|
电源Power Supply
|
|
3-Phase A.C.三相交流; 50Hz 380V |
| 荐用大车钢轨Steel Track |
|
43kg/m |
| 起重机轮压Crane Max.wheel Loading |
t |
20.8 |
21.1 |
21.6 |
22.3 |
22.9 |
23.4 |
| 桥架自重Girder weight |
t |
5.23 |
6.5 |
8.50 |
11.23 |
13.53 |
15.8 |
| 器重自重Grane weight |
t |
12.5 |
14.34 |
16.17 |
18.57 |
21.3 |
23.7 |
基
本
尺
寸
Basic size |
B |
mm |
5520 |
| BQ |
4500 |
| BX |
2400 |
| H1 |
2040 |
| H2 |
440 |
| b |
276 |
278 |
428 |
578 |
728 |
878 |
| H3 |
623 |
| H4 |
1620 |
| LQ |
2500 |
| S1 |
870 |
| S2 |
1690 |
| S3 |
1450 |
| S4 |
2270 |
|
| |
|
起重量
Lifting Weight
|
t
|
5
|
10
|
|
跨度Span
|
m
|
10.5
|
13.5
|
16.5
|
19.5
|
22.5
|
25.5
|
28.5
|
31.5
|
10.5
|
13.5
|
16.5
|
19.5
|
22.5
|
25.5
|
28.5
|
31.5
|
|
起升高度
Max.Lifting Height
|
16
|
|
速度
speed
|
起升
Lift
|
A5
|
m/min
|
11.4
|
7.6
|
|
A6
|
15.4
|
13.3
|
|
小车运handcart travel行
|
31.3
|
43.8
|
|
大车运行cart travel
|
A5
|
90.7
|
91.9
|
90.7
|
91.9
|
84.7
|
|
A6
|
115.6
|
116.8
|
115.6
|
116.8
|
112.5
|
|
电动机
Motor
|
起升
Lift
|
A5
|
kw
|
YZR160L-6z/13
|
YZR180L-8z/13
|
|
A6
|
YZR180L-6/15
|
YZR200L-6/22
|
|
小车运行handcart travel
|
YZR132M1-6/2.5
|
YZR132M1-6/2.5
|
|
大车运行
cart travel
|
A5
|
YZR132M2-6/4×2
|
YZR160M1-6/6.3×2
|
YZR132M2-6/4×2
|
YZR160M1-6/6.3×2
|
|
A6
|
YZR160M1-6/5.5×2
|
YZR160M2-6/7.5×2
|
YZR160M1-6/5.5×2
|
YZR160M2-6/7.5×2
|
|
主要尺寸
(mm)
Main Size
|
H
|
1764
|
1876
|
1926
|
|
H1
|
2526
|
2546
|
2596
|
2756
|
2906
|
3056
|
3206
|
3356
|
2526
|
2546
|
2596
|
2756
|
2906
|
3008
|
3158
|
3308
|
|
H2
|
765+H0
|
800+H0
|
765(800)+H0
|
815(850)+H0
|
|
H3
|
71
|
602
|
552
|
|
h
|
870
|
|
k
|
1400±2
|
2000
|
|
B
|
5050(5150)
|
5200(5204)
|
6024(6264)
|
5700(5704)
|
5930(5934)
|
6284(6504)
|
|
W
|
3400
|
3550
|
5000
|
4050
|
5000
|
|
W
|
1100
|
1400
|
|
b
|
230
|
|
F
|
-24
|
126
|
226
|
376
|
526
|
676
|
826
|
976
|
-24
|
126
|
226
|
376
|
526
|
628
|
778
|
928
|
|
S2
|
800
|
1050
|
|
S3
|
1250
|
1300
|
|
重量
Weight
|
小车handcart
|
A5
|
t
|
2.126
|
3.424
|
|
A6
|
2.224
|
3.562
|
|
总重Total Weight
|
A5
|
13
|
14
|
16
|
19
|
21
|
26
|
29
|
32
|
15
|
17
|
19
|
21
|
24
|
28
|
32
|
35
|
|
A6
|
14
|
15
|
17
|
20
|
22
|
27
|
31
|
34
|
15
|
17
|
20
|
22
|
25
|
30
|
33
|
36
|
|
轮压Max.Wheel Pressure
|
A5
|
t
|
8.0
|
8.5
|
9.1
|
9.8
|
10.4
|
11.7
|
12.5
|
13.2
|
10.9
|
11.5
|
12.3
|
12.9
|
13.6
|
14.9
|
15.8
|
16.6
|
|
A6
|
8.5
|
9.1
|
9.2
|
10.4
|
11.1
|
12.5
|
13.3
|
13.8
|
11.1
|
11.8
|
12.6
|
13.1
|
13.8
|
15.4
|
16.3
|
17.1
|
|
荐用钢轨Steel track
|
38kg/m
|
43kg/m
|
|
电源Power Supply
|
三相交流3-Phase A.c. 50Hz 380V
|
|
|
| |
|
[打印]
[返回]
|
|
|
|
|